Home
Company
Background
Contact Us
Locations
News / Blog
Contract Vehicles
Testimonials
Careers
Engineering Services
Logistics
Operational Test & Evaluation (OT&E)
Technical Documentation
IETM Services
Technical Illustrations & Graphics
Legacy Data & Conversion
Intelligent Wiring
Training
Interactive Training & Curriculum Development
IPC/WHMA-A-620 CIS Certification
Home
Company
Background
Contact Us
Locations
News / Blog
Contract Vehicles
Testimonials
Careers
Engineering Services
Logistics
Operational Test & Evaluation (OT&E)
Technical Documentation
IETM Services
Technical Illustrations & Graphics
Legacy Data & Conversion
Intelligent Wiring
Training
Interactive Training & Curriculum Development
IPC/WHMA-A-620 CIS Certification
Technical Documentation
IETM Services
Technical Illustrations & Graphics
Legacy Data & Conversion
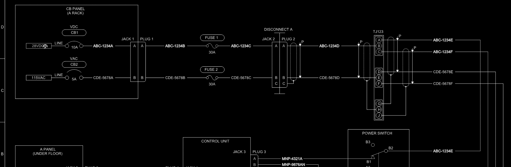
Intelligent Wiring
Intelligent Wiring